Consulta el catálogo de recambios

WH000488 - BOMBA DE CALOR PM40 MD7 R32

Revisión nº: 2 | Fecha: 24-10-2025

BOMBA DE CALOR PM40 MD7 R32

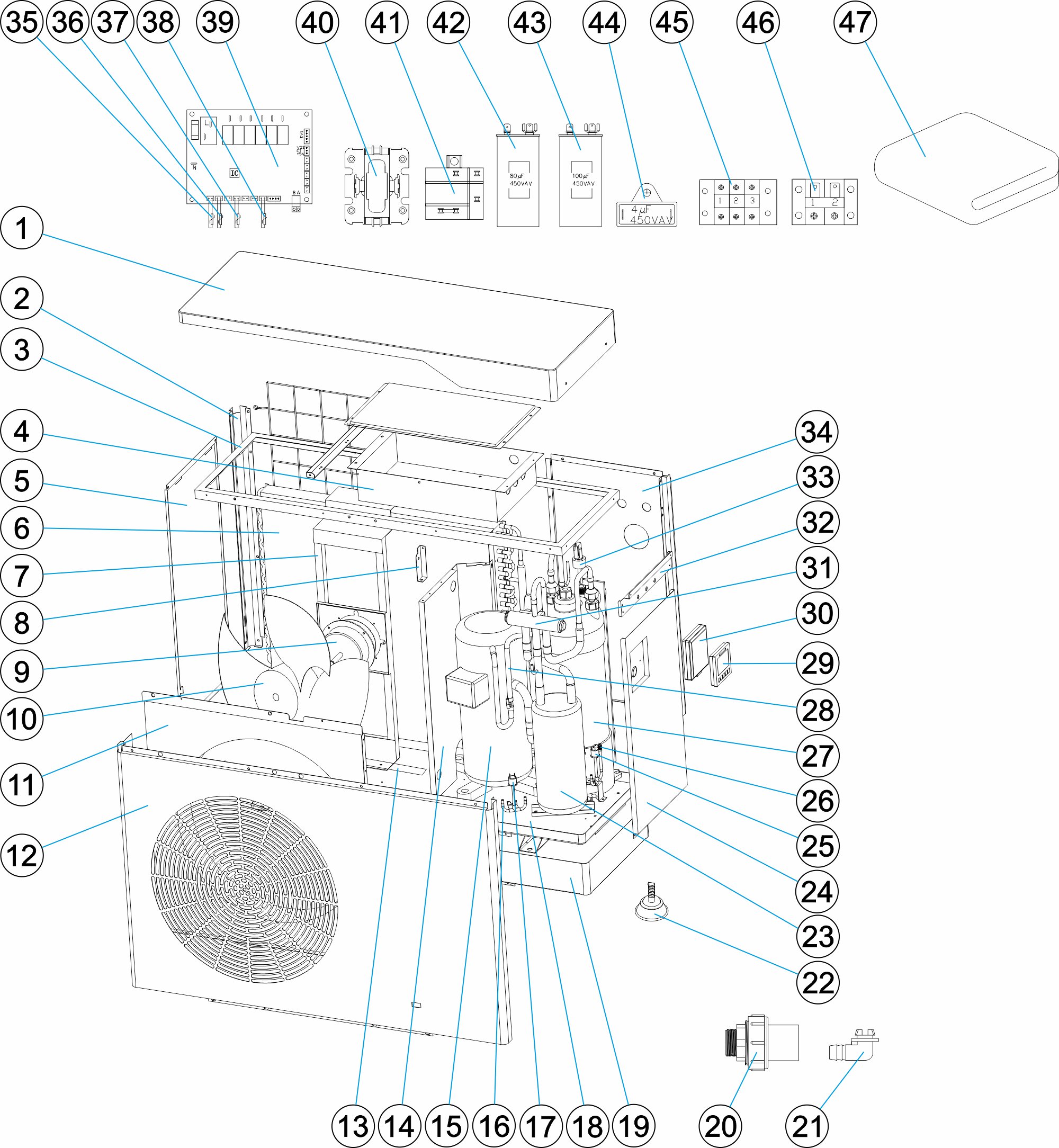
Piezas del despiece (kits o unitarios)

POS. CÓDIGO DESCRIPCIÓN    
1 66069R0302 TAPA SUPERIOR
2 66069R0315 SOPORTE PARA PANEL IZQUIERDO
3 66069R0303 SOPORTE PARA TAPA SUPERIOR
4 66069R0330 CAJA ELECTRICA
5 66069R0305 PANEL IZQUIERDO
6 66073R0030 EVAPORADOR
7 66069R0306 SOPORTE PARA VENTILADOR MOTOR
8 66069R0327 CONEXIÓN PLACA PANEL PARTICIÓN
9 66073R0031 MOTOR VENTILADOR
10 66073R0009 ASPAS VENTILADOR
11 66069R0322 REJILLA VENTILADOR
12 66069R0321 PANEL FRONTAL
13 66069R0039 RESISTENCIA DESHIELO
14 66069R0320 PANEL PARTICIÓN
15 66073R0012 COMPRESOR
16 66069R0015 TUBERÍAS PARA PRESOSTATO
17 66069R0031 INTERRUPTOR ALTA PRESIÓN
18 66069R0386 PANEL INFERIOR
19 66069R0317 TAPA FONDO
20 66069R0041 CONECTOR DE AGUA
21 66069R0042 PURGA AGUA CONDENSACIÓN
22 66069R0102 PIES ANTIVIBRATORIOS
24 66069R0312 PANEL DERECHO
25 66069R0032 INTERRUPTOR BAJA PRESIÓN
26 66069R0022 VÁLVULA PARA VACIADO/RELLENO
27 66073R0034 INTERCAMBIADOR DE TITANIO
28 66069R0378 TUBERÍAS PARA INTERCAMBIADOR
29 66069R3304 CONTROLADOR LCD (PM40)
DESCATALOGADO
29 66069R3305 CONTROLADOR LCD (PM40)
30 66069R0262 CAJA CONTROLADOR IMPERMEABLE
31 66073R0013 VÁLVULA DE 4 VÍAS
32 66069R0318 CONEXIÓN PLACA TAPA SUPERIOR
33 66069R0030 FLUJOSTATO
34 66069R0314 PANEL TRASERO
35 66069R0054 SENSOR TEMPERATURA L=1200
36 66069R0055 SENSOR TEMP (L=1200 COBRE C-NEGRO)
37 66069R0057 SENSOR TEMPERATURA L=800
38 66069R0056 SENSOR TEMP (L=1200 COBRE C-VERDE)
39 66069R0060 PLACA BASE PCB
39 66069R3105 PLACA BASE PCB
40 66070R0027 RELÉ PARA COMPRESOR
41 66069R0328 RELÉ
42 66069R0403 CONDENSADOR COMPRESOR
43 66069R0329 CONDENSADOR ARRAQUE
44 66073R0025 CONDENSADOR VENTILADOR (6UF)
45 66073R0036 TERMINAL DE POTENCIA
46 66069R0053 TERMINAL PARA BOMBA
47 ACXXPR1004 FUNDA HIVERNAL EV17-20/AC17-20/ST15/MD57/TD7

Últimas Novedades:

VER MÁS NOVEDADES

¿Necesitas ayuda?

¿Estás buscando ayuda para encontrar el recambio que necesitas? No dudes en ponerte en contacto con tu Proveedor Oficial de FLUIDRA. Estaremos encantados de asistirte en tu búsqueda