Consulta el catálogo de recambios

WR000328 - XA 3030 IQ

Revisión nº: 0 | Fecha: 15-09-2023

XA 3030 IQ

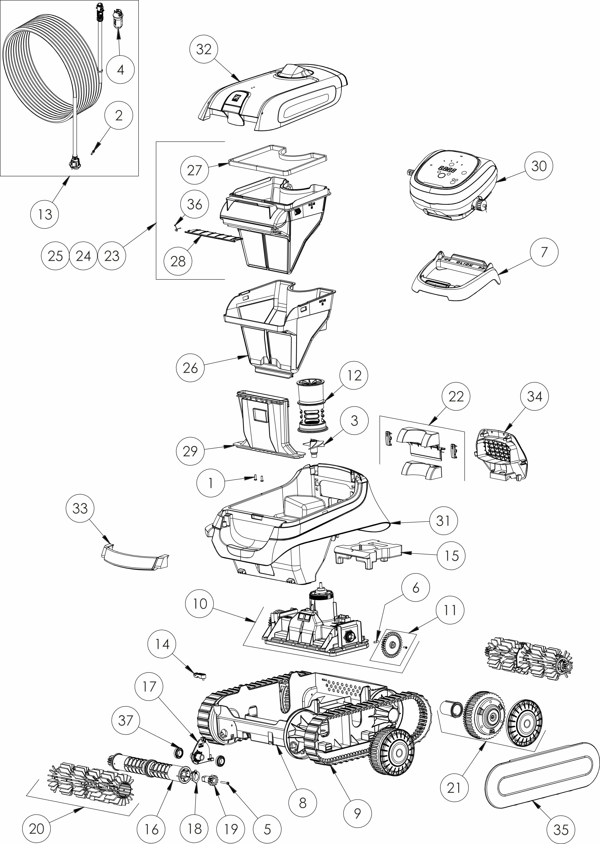
Piezas del despiece (kits o unitarios)

POS. CÓDIGO DESCRIPCIÓN    
1 R0516700 TORNILLO 4*12 MM (PACK DE 5 UN.)
2 R0608500 TORNILLO 4*16 MM (PACK DE 5 UN
3 R0633200 HÉLICE CYCLONX
4 R0634100 CUERPO CONECTOR 3 PINS
5 R0638900 TORNILLO 4*25 MM (Pack 5 UN)
6 R0657900 PASADOR ø4 EJE BLOQUE MOTOR (PACK 5 UN)
7 R0662600 SOPORTE UNIDAD DE CONTROL
8 R0895100 CHASIS CN
9 R0895200 ORUGA CN (*2)
10 R0895500 BLOQUE MOTOR CN LED
11 R0895600 PIÑÓN CN (*2)
12 R0895700 CANALIZADOR DE FLUJO CN
13 R0895900 CABLE FLOTANTE CN 18M
14 R0896200 BRIDA FIJACION DEL CABLE CN
15 R0896300 FLOTADOR CHASIS CN
16 R0896400 RODILLO PORTACEPILLOS CN (*2)
2 UT
17 R0896500 CLIP FIJACIÓN DE RODILLOS CN
2 UT
18 R0896600 KIT CASQUILLOS EJE CEPILLO EXTERIOR CN (*2)
2 UT
19 R0896700 KIT PIÑON EJE CEPILLO 12 DIENTES CN (*2)
2 UT
20 R0896900 CEPILLOS CN GRIS CLARO (*2)
2 UT
21 R0897300 RUEDA CN
4 UT
22 R0897400 KIT TAPA VALVULA TRASERA CN
23 R0897500 FILTRO CN 100µ - SINGLE
24 R0897600 FILTRO CN 150µ - DUAL
25 R0897700 FILTRO CN 200µ - SINGLE
26 R0898100 FILTRO SUPERIOR CN 60µ - DUAL
27 R0898300 JUNTA TAPA DEL FILTRO CN
28 R0898400 TAPA VALVULA DEL FILTRO CN
29 R0898500 CANALIZADOR DE ASPIRACION CN
30 R0898800 UNIDAD DE CONTROL CN TYPE 3 EU
31 R0900300 CUERPO CN A AZUL BARACUDA
32 R0901100 TAPA COMPLETA CN A
33 R0901600 EMPUÑADURA CN A BLANCA
34 R0902100 REJILLA TRASERA CN A, NEGRA
35 R0902200 TAPAS LATERALES CN LARGAS (*2)
36 R0905500 MUELLE TAPA VALVULA FILTROCN
37 W79034 COJINETE, (RUEDA Y MOTOR)
4 UT

Últimas Novedades:

VER MÁS NOVEDADES

¿Necesitas ayuda?

¿Estás buscando ayuda para encontrar el recambio que necesitas? No dudes en ponerte en contacto con tu Proveedor Oficial de FLUIDRA. Estaremos encantados de asistirte en tu búsqueda

Utilizamos cookies, propias y de terceros, para asegurar el correcto funcionamiento del sitio web y para analizar nuestros servicios y mejorar su experiencia en nuestro sitio web. Puede aceptar las cookies haciendo clic en "Aceptar" o rechazarlas haciendo clic Rechazar. Si desea saber más sobre el uso de las cookies, consulte nuestra Política de Cookies.
Aceptar Rechazar