Consulta el catálogo de recambios

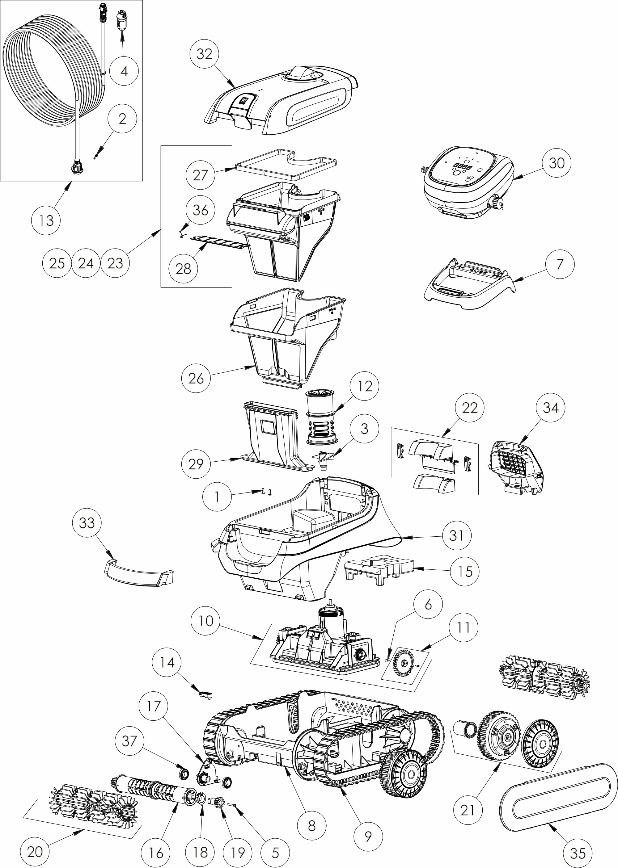
WR000329 - 30 XA IQ

Revisión nº: 0 | Fecha: 15-09-2023

30 XA IQ

Últimas Novedades:

VER MÁS NOVEDADES

¿Necesitas ayuda?

¿Estás buscando ayuda para encontrar el recambio que necesitas? No dudes en ponerte en contacto con tu Proveedor Oficial de FLUIDRA. Estaremos encantados de asistirte en tu búsqueda

Utilizamos cookies, propias y de terceros, para asegurar el correcto funcionamiento del sitio web y para analizar nuestros servicios y mejorar su experiencia en nuestro sitio web. Puede aceptar las cookies haciendo clic en "Aceptar" o rechazarlas haciendo clic Rechazar. Si desea saber más sobre el uso de las cookies, consulte nuestra Política de Cookies.
Aceptar Rechazar