Consulta el catálogo de recambios

WW000165 - eXO® iQ 35

Revisión nº: 0 | Fecha: 15-09-2023

eXO® iQ 35

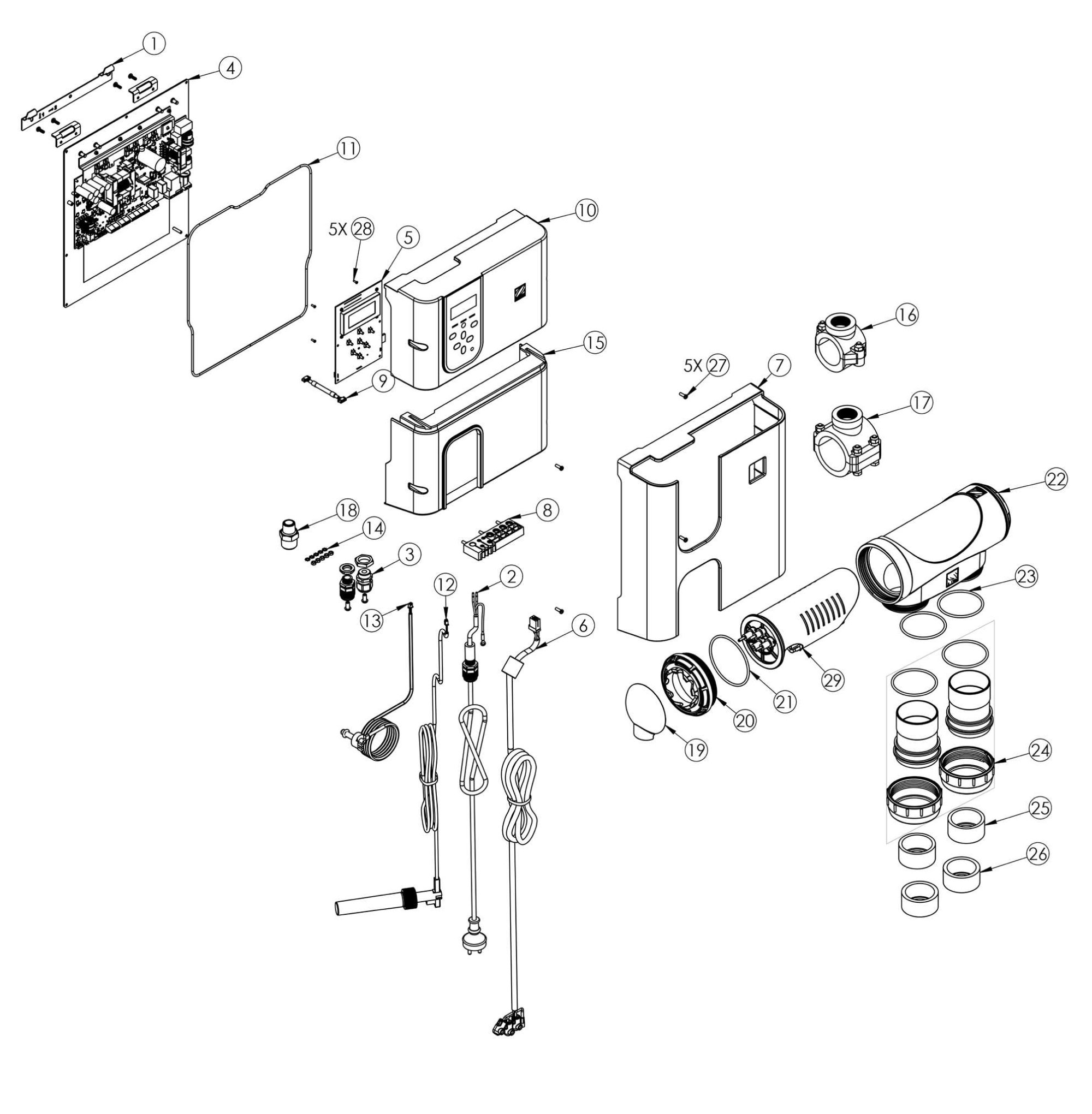
Piezas del despiece (kits o unitarios)

POS. CÓDIGO DESCRIPCIÓN    
/ R0861500 RKIT CAJA EXO IQ COMPLETA PARA CONVERSIÓN O REEMPLAZO SAT
1 R0821100 KIT FIJACIÓN MURAL
2 R0821200 CABLE ALIMENTACIÓN SECTOR 230V
3 R0821600 KIT PRENSA - ESTOPAS
4 R0821700 CONJUNTO CARTA ELECTRÓNICA ALIMENTACIÓN EXO®
5 R0822300 TARJETA ELECTRÓNICA DE CONTROL IHM WI-FI
6 R0822500 CABLE ALIMENTACIÓN CÉLULA
7 R0822700 CUBIERTA EXO® IQ NEGRA
8 R0823000 PASACABLES FLEXIBLE
9 R0823100 CABLE DE TARJETA ELECTRÓNICA DE CONTROL IHM
10 R0823200 TAPA SUPERIOR GRIS EXO® IQ / EXO® IQ LS
11 R0823600 JUNTA TÓRICA CHASIS
12 R0823800 INTERRUPTOR DE CAUDAL CON CONECTOR
13 R0823900 KIT SONDA DE TEMPERATURA DE AGUA (CON 2,9 M DE CABLE + JUNTA + ABRAZADERA INOX)
14 R0824000 KIT TORNILO+ ARANDELA PARA TOMA DE TIERRA (PACK 5 UN.)
15 R0824200 TAPA INFERIOR GRIS EXO® IQ / EXO® IQ LS
16 W013010 ABRAZADERA DM 50 M COMPLETO (ADAPTABLE A 1/ 1/2" UK)
17 W013011 ABRAZADERA DM 63 M COMPLETO (ADAPTABLE A 2 " UK) - NO INCLUIDO EN EL PRODUCTO
18 R0797200 ADAPTADOR 1/2’’ - 3/4’’ PARA DETECTOR DE CAUDAL
19 R0740800 TAPÓN DE PROTECCIÓN DE TERMINALES DE CÉLULA
20 R0740600 ROSCA DE FIJACIÓN DEL ELECTRODO
21 R0739000 JUNTA TÓRICA DE ESTANQUEIDAD DE ELECTRODO (PACK 2 UN.)
22 R0740200 CUERPO DE CÉLULA VACÍA
23 R0737700 JUNTA TÓRICA PARA RACOR DE UNIÓN DE CÉLULA (PACK 2 UN.)
24 R0748700 CONJUNTO ADAPTADORES DE UNIÓN Ø 63 MM / 2''
25 R0768600 ADAPTADOR PVC Ø50 MM PARA PEGAR
26 R0770300 ADAPTADOR PVC 1 1/2'' PARA PEGAR (UK)
27 R0516700 TORNILLO 4*12 MM (PACK DE 5 UN.)
28 R0564500 TORNILLO 2,2*6,5 MM (5 UN.)
29 R0758700 ELECTRODO EXO® IQ 35

Últimas Novedades:

VER MÁS NOVEDADES

¿Necesitas ayuda?

¿Estás buscando ayuda para encontrar el recambio que necesitas? No dudes en ponerte en contacto con tu Proveedor Oficial de FLUIDRA. Estaremos encantados de asistirte en tu búsqueda